
All Range Of Our Products
Our main products, maintenance and tube replacement: Coking equipment, tube furnace, primary cooler tube replacement, spiral plate heat exchanger, crude benzene condensing cooler, CDQ water supply preheating system, power plant equipment, condenser tube replacement, HV/LV heater, tube cooler, heater exchanger and so on.
Product Details ▶
Product Overview
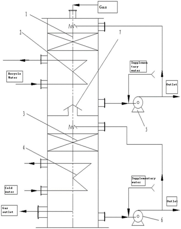
The Horizontal Tube Primary Gas Cooler features a vertical rectangular shell with cooling water tubes installed at a 30° angle to the horizontal plane. Coke oven gas flows from top to bottom, while cooling water is supplied from the bottom in multiple stages, achieving uniform and highly efficient cooling. Outlet gas temperature can be reduced to within 2°C above inlet water temperature.

Key Advantages
High Heat Transfer Efficiency – Φ57×3 steel tubes with dense layout enhance turbulence and improve cooling performance
Multi-Stage Water Supply – Flexible combination of chilled water, circulating water, and heating water
Automatic Spray Cleaning – Ammonia water or condensate spray removes tar and naphthalene deposits
Compact & Durable – Small footprint, stable operation, and low maintenance
Process Flow
Crude gas from the coke oven → Gas-liquid separator → Upper stage cooling with circulating water (to ~45°C) → Lower stage cooling with chilled water (to ~22°C) → Gas booster fan → Electrostatic tar precipitator → Desulfurization & sulfur recovery. Condensate, tar, and ammonia water are recycled or sold.
Applications
Coke oven gas recovery · Chemical industry · Energy-saving projects

Leave a message for quotation ▶
Products Recommended ▶
PROFESSIONAL CONSULTATION
If you are interested in our products and want to know more details, please leave a message here, we will reply you as soon as we can.